产品

product

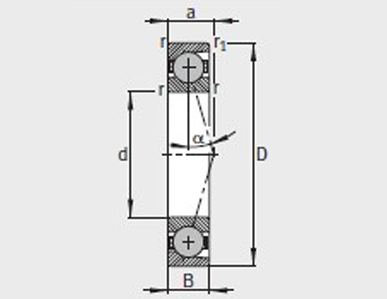
d 60-90mm

Produktparameter
PDF
Herunterladen
Anfrage Modellnummer Masse m≈ kg Größemm Einbaugrößemm NennlastN Endlast der ErmüdungCur/N Extreme Geschwindigkeitmin-1
d D B r
min
r1
min
a
da
h12
Da
H12
ra
max
ra1
max
Dynamische Last
Cr
Statische Last
Cor
NG
Fett
NG
Öl